igus-icon-lupe
igus-icon-lupe
來自2 1
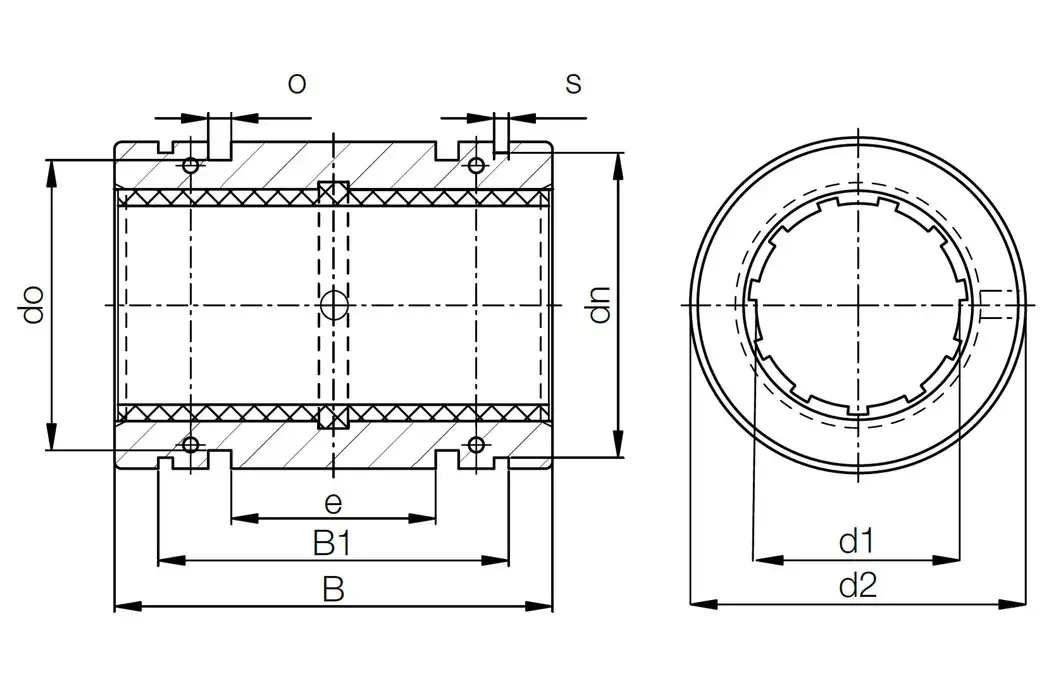
- Anodized aluminum adapter
- Dimensionally interchangeable with linear ball bearings
- Equipped with liner made of iglidur® J200
- Temperature range -40°F to +194°F (-40°C to +90°C) J200UI-01 (standard)
- Ideal for aluminum shafting
igus-icon-lieferzeitRJ200UI-01-06
9.5 (0.375 in)
