Series 340 Classic

即將停產
340.050.075.0 product image
igus-icon-lupe
340.050.075.0 technical drawing
igus-icon-lupe
來自2 1
340.050.075.0 product image
340.050.075.0 technical drawing
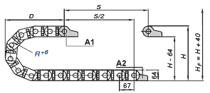
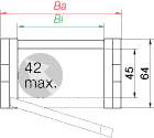
內部高度 [Hi]
內部高度 [Hi]
45 mm
最大限度電線電纜直徑
最大限度電線電纜直徑
42 mm
開放原則
開放原則
可沿內弧半徑打開
內寬 [Bi]
內寬 [Bi]
50 mm
彎曲半徑 [R]
彎曲半徑 [R]
75 mm
對我們的網站有任何意見嗎?我們歡迎您提供意見反應。

關於igus®

服務

聯繫

便利的付款方式

    關注我們

    • Facebook
    • Instagram
    • LinkedIn
    • YouTube
    • Line

    了解最新資訊,點此訂閱易格斯電子報。

    igus-icon-globe語言:繁體中文|國家:台灣

    The terms "Apiro", "AutoChain", "CFRIP", "chainflex", "chainge", "chains for cranes", "ConProtect", "cradle-chain", "CTD", "drygear", "drylin", "dryspin", "dry-tech", "dryway", "easy chain", "e-chain", "e-chain systems", "e-ketten", "e-kettensysteme", "e-loop", "energy chain", "energy chain systems", "enjoyneering", "e-skin", "e-spool", "fixflex", "flizz", "i.Cee", "ibow", "igear", "iglidur", "igubal", "igumid", "igus", "igus improves what moves", "igus:bike", "igusGO", "igutex", "iguverse", "iguversum", "kineKIT", "kopla", "manus", "motion plastics", "motion polymers", "motionary", "plastics for longer life", "print2mold", "Rawbot", "RBTX", "readycable", "readychain", "ReBeL", "ReCyycle", "reguse", "robolink", "Rohbot", "savfe", "speedigus", "superwise", "take the dryway", "tribofilament", "triflex", "twisterchain", "when it moves, igus improves", "xirodur", "xiros" and "yes" are legally protected trademarks of the igus® SE & Co. KG/ Cologne in the Federal Republic of Germany and where applicable in some foreign countries. This is a non-exhaustive list of trademarks (e.g. pending trademark applications or registered trademarks) of igus SE & Co. KG or affiliated companies of igus in Germany, the European Union, the USA and/or other countries or jurisdictions.

    igus® SE & Co. KG points out that it does not sell any products of the companies Allen Bradley, B&R, Baumüller, Beckhoff, Lahr, Control Techniques, Danaher Motion, ELAU, FAGOR, FANUC, Festo, Heidenhain, Jetter, Lenze, LinMot, LTi DRiVES, Mitsubishi, NUM,Parker, Bosch Rexroth, SEW, Siemens, Stöber and all other drive manufacturers mention on this website. The products offered by igus® are those of igus® SE & Co. KG