請選擇您的送貨地點

國家/地區頁面的選擇會影響各種因素,例如價格、配送方式和產品可用性。
聯絡窗口
台灣易格斯有限公司

igus® Taiwan Company Ltd.

40850 台中市南屯區工業區24路35號5樓

+886 4 2358 1000
+886 4 2358 1100
TW(ZH)

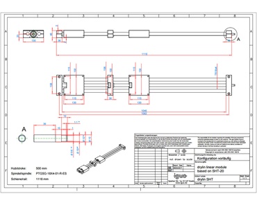
drylin® SHT 免上油線性滑軌驅動技術配置器

您可自由設計線性滑台我們準時出貨!

節省時間和成本 只需點擊幾下即可輕鬆在線上配置帶螺桿的 SHT 線性滑台。 安裝尺寸,材料,螺桿螺距,多個模塊,左右對置驅動器,末端加工。我們全都可以做到。您的線性模組是否適合您的應用環境?您可以非常輕鬆地進行檢查——包括 3D CAD 模型和 2D PDF 尺寸圖。您要手動還是馬達操作線性滑台?我們都可以做到。 只需選擇配件和合適的馬達。 如何控制馬達或直線軸?igus® 也能做到。 只需同時訂購合適的 dryve 馬達控制系統。 我該如何下單?加入購物車,下單,然後等待收貨。 這就是 igus® 服務。
前往 SHT 線性滑台配置器
配置 SHT 線性滑台

僅需幾個步驟,即可配置帶螺桿驅動的線性滑台

drylin® SHT 免上油滑台配置器
  • 選擇四種安裝尺寸
  • 梯形螺紋或 dryspin® 大螺距螺紋
  • 單和多滑塊型號
  • 也可以配置為符合 FDA 標準以用於食品和藥品產業
  • 新增:NEMA 步進馬達;EC/DC 直流馬達,dryve 馬達控制系統,接近開關,連接電纜  

drylin® SHT 免上油線性滑軌驅動技術配置器 1. 輸入應用參數
drylin® SHT 免上油線性滑軌驅動技術配置器 2. 系統配置
drylin® SHT 免上油線性滑軌驅動技術配置器 3. 配置傳動銷或配件
drylin® SHT 免上油線性滑軌驅動技術配置器 4. 總覽檢查確認
drylin® SHT 免上油線性滑軌驅動技術配置器 5. 查看交互式3D CAD模型
drylin® SHT 免上油線性滑軌驅動技術配置器 6. 下載PDF尺寸圖

精進技術 精進技術
  • 使用線上工具,配置帶螺桿驅動的 SHT 線性滑台。
  • 可線上配置單個或多個滑塊
  • 可選 dryspin® 高導程螺紋或梯形螺紋
  • 即裝即用
降低成本

降低成本

    • 簡單地線上配置線性滑台
    • 模組化設計
    • 減少設計時間,即裝即用的完整系統 (包含線性滑台/馬達/馬達控制系統)
    • 涵蓋 2D 尺寸圖和 3D CAD 模型
    經驗證 測試結果
    • 可線上計算使用壽命
    • 所有的配置具有可實行性。
    • 涵蓋 2D 尺寸圖和 3D CAD 模型
    永續發展 永續發展
    • igus® 支持塑膠的循環經濟,並且投資化學回收,了解更多資訊: 



    The terms "Apiro", "AutoChain", "CFRIP", "chainflex", "chainge", "chains for cranes", "ConProtect", "cradle-chain", "CTD", "drygear", "drylin", "dryspin", "dry-tech", "dryway", "easy chain", "e-chain", "e-chain systems", "e-ketten", "e-kettensysteme", "e-loop", "energy chain", "energy chain systems", "enjoyneering", "e-skin", "e-spool", "fixflex", "flizz", "i.Cee", "ibow", "igear", "iglidur", "igubal", "igumid", "igus", "igus improves what moves", "igus:bike", "igusGO", "igutex", "iguverse", "iguversum", "kineKIT", "kopla", "manus", "motion plastics", "motion polymers", "motionary", "plastics for longer life", "print2mold", "Rawbot", "RBTX", "readycable", "readychain", "ReBeL", "ReCyycle", "reguse", "robolink", "Rohbot", "savfe", "speedigus", "superwise", "take the dryway", "tribofilament", "triflex", "twisterchain", "when it moves, igus improves", "xirodur", "xiros" and "yes" are legally protected trademarks of the igus® SE & Co. KG/ Cologne in the Federal Republic of Germany and where applicable in some foreign countries. This is a non-exhaustive list of trademarks (e.g. pending trademark applications or registered trademarks) of igus SE & Co. KG or affiliated companies of igus in Germany, the European Union, the USA and/or other countries or jurisdictions.

    igus® SE & Co. KG points out that it does not sell any products of the companies Allen Bradley, B&R, Baumüller, Beckhoff, Lahr, Control Techniques, Danaher Motion, ELAU, FAGOR, FANUC, Festo, Heidenhain, Jetter, Lenze, LinMot, LTi DRiVES, Mitsubishi, NUM,Parker, Bosch Rexroth, SEW, Siemens, Stöber and all other drive manufacturers mention on this website. The products offered by igus® are those of igus® SE & Co. KG