請選擇您的送貨地點

國家/地區頁面的選擇會影響各種因素,例如價格、配送方式和產品可用性。
聯絡窗口
台灣易格斯有限公司

igus® Taiwan Company Ltd.

40850 台中市南屯區工業區24路35號5樓

+886 4 2358 1000
+886 4 2358 1100
TW(ZH)

SHTP-FF lift table with quick release

SHTP lift tables with quick-release mechanism offer a combination of precise positioning and rapid adjustment by hand.

lighter solid polymer model

For fast format adjustments

Brake by interlocking included

Freely selectable stroke lengths

Recommended only for horizontal applications

Max. stat. axial load 200 N

Max. dyn. axial load 50 N

SHTP-FF

Fitting for this articles:


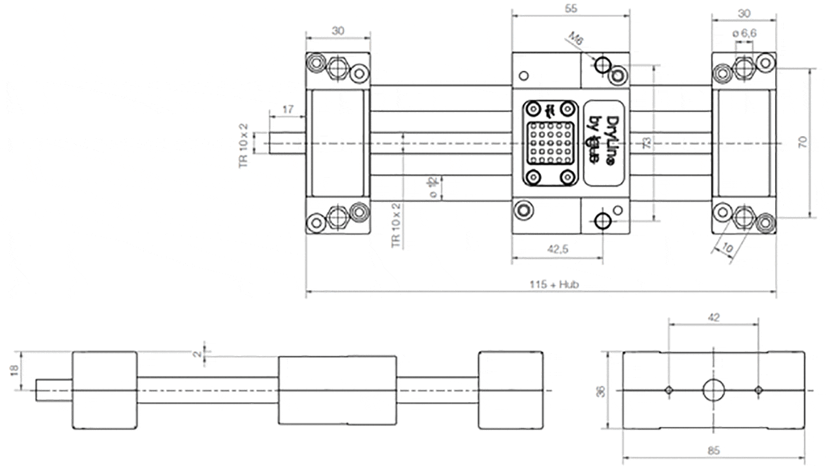
Part. No. A Al H E1 E2 E3 l R f lt tk ts kt
  -0,3 -0,3   ±0,15 ±0,15 ±0,15 [mm] [mm] [mm] ±0,1 ±0,1    
台灣無現貨,德國有現貨,通常可在20個工作日內出貨,如有提前到貨會盡快安排出貨。 SHTP-01-12-AWM-FF (1) 85 55 36 70 73 42.5 115 42 2 30 10 6.6 0
所選零件的更多資訊:
三維CAD 三維CAD
樣品索取 樣品索取
PDF PDF
報價請求 報價請求
我的目錄 我的目錄

(1) 由iglidur®自潤式平面軸承 J製成的襯套和梯形螺桿螺母

Part. No. sg d T l2 d2* ha Max.
stroke length
Weight Weight additional

   
          standard   [mm] [kg] per 100 mm    
台灣無現貨,德國有現貨,通常可在20個工作日內出貨,如有提前到貨會盡快安排出貨。 SHTP-01-12-AWM-FF (1) M6 12 TR10x2 17 TR10x2 18 500 0.35 0.11 請洽易格斯 添加到購物車
所選零件的更多資訊:
三維CAD 三維CAD
樣品索取 樣品索取
PDF PDF
報價請求 報價請求
我的目錄 我的目錄

(1) 由iglidur®自潤式平面軸承 J製成的襯套和梯形螺桿螺母

More information:


Fitting for this articles:

可24-48小時內出貨(不含假日) drylin® E 馬達驅動滑台——產品概覽

drylin®直線滑軌, 免上油, 自潤式傳動技術工具箱和系統理念的持續發展。

可24-48小時內出貨(不含假日)
台灣無現貨,德國有現貨,通常可在20個工作日內出貨,如有提前到貨會盡快安排出貨。

The terms "Apiro", "AutoChain", "CFRIP", "chainflex", "chainge", "chains for cranes", "ConProtect", "cradle-chain", "CTD", "drygear", "drylin", "dryspin", "dry-tech", "dryway", "easy chain", "e-chain", "e-chain systems", "e-ketten", "e-kettensysteme", "e-loop", "energy chain", "energy chain systems", "enjoyneering", "e-skin", "e-spool", "fixflex", "flizz", "i.Cee", "ibow", "igear", "iglidur", "igubal", "igumid", "igus", "igus improves what moves", "igus:bike", "igusGO", "igutex", "iguverse", "iguversum", "kineKIT", "kopla", "manus", "motion plastics", "motion polymers", "motionary", "plastics for longer life", "print2mold", "Rawbot", "RBTX", "readycable", "readychain", "ReBeL", "ReCyycle", "reguse", "robolink", "Rohbot", "savfe", "speedigus", "superwise", "take the dryway", "tribofilament", "triflex", "twisterchain", "when it moves, igus improves", "xirodur", "xiros" and "yes" are legally protected trademarks of the igus® SE & Co. KG/ Cologne in the Federal Republic of Germany and where applicable in some foreign countries. This is a non-exhaustive list of trademarks (e.g. pending trademark applications or registered trademarks) of igus SE & Co. KG or affiliated companies of igus in Germany, the European Union, the USA and/or other countries or jurisdictions.

igus® SE & Co. KG points out that it does not sell any products of the companies Allen Bradley, B&R, Baumüller, Beckhoff, Lahr, Control Techniques, Danaher Motion, ELAU, FAGOR, FANUC, Festo, Heidenhain, Jetter, Lenze, LinMot, LTi DRiVES, Mitsubishi, NUM,Parker, Bosch Rexroth, SEW, Siemens, Stöber and all other drive manufacturers mention on this website. The products offered by igus® are those of igus® SE & Co. KG