請選擇您的送貨地點

國家/地區頁面的選擇會影響各種因素,例如價格、配送方式和產品可用性。
聯絡窗口
台灣易格斯有限公司

igus® Taiwan Company Ltd.

40850 台中市南屯區工業區24路35號5樓

+886 4 2358 1000
+886 4 2358 1100
TW(ZH)

辦公傢俱用拖鏈 OCO - 設計研究

"便捷" 的設計,方便填裝線材

辦公傢俱拖鏈OCO.20是辦公室的簡單線材引導。 它沒有定義的彎曲半徑,可以在兩個方向上移動。 它也可以輕鬆延長和縮短拖鏈長度 安裝支架的外觀與鏈節非常相似,不同之處在於其內置的磁鐵可輕鬆將OCO拖鏈固定在金屬桌子上。 也可以於桌面安裝的螺絲相連接,為此提供兩個安裝小孔。
現在就向我們諮詢

精進技術

精進技術

  • 優化的設計
  • 靈活式的安裝
  • 易於延長和縮短
  • 透過帶磁鐵的安裝支架
    方便安裝
  • 拖鏈的良好夾持力可 連接至150N
降低成本

降低成本

  • 由於“簡單”的設計,無需工具即可填充線材,從而節省了安裝時間和成本
  • 訂購所需的長度
  • 經濟實惠的採購
經證實

經證實

  • 拖鏈 OCO.20 保持力的拉伸測試:3D 列印的打樣已成功進行了拉伸測試,顯示出 420N 的保持力 
永續性

永續性

  • 不含雙酚 A (不含 BPA )
  • 100% 無鹵素,特別適合 在公共建築中使用
  • 將您的拖鏈交給 igus®  chainge 拖鏈回收計畫
    進行回收。 無論是哪一間製造商的拖鏈都可以回收。 您 將會收到 chainge 拖鏈回收計畫的優惠券
  • igus® 支持塑膠循環經濟 並且投資 化學回收

辦公傢俱用拖鏈 OCO.20


這很簡單:

根據簡單原則的開口不在中間,而是錯開到側面。 透過交替安裝鏈節,插槽會錯開,從而確保可以輕鬆插入電纜,但同時不會掉線。
辦公傢俱用拖鏈 OCO.20

 
內置磁鐵,易於連接到金屬桌子
辦公傢俱用拖鏈 OCO.20

 
也可以選擇螺絲連接固定

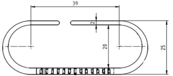
技術資料

辦公傢俱用拖鏈 OCO.20 - 技術資料


產品料號內高外高內寬外寬
辦公傢俱用拖鏈OCO.2020 mm25 mm39 mm64 mm

可依需求調整
 
現在就向我們諮詢

相似的產品

辦公傢俱拖鏈 OCR

辦公傢俱拖鏈 OCR

磁性裝配夾可以實現自由的中間連接,並易於固定在拖鏈上
辦公傢俱拖鏈 ZF14

辦公傢俱拖鏈 ZF14

電纜快速安裝填入 快速連接的拖鏈和 UL94-V2 認證
機械手臂專用拖鏈 triflex R

3軸能量傳輸保護拖鏈 triflex R

易於裝配設計 – 簡單、快速填充 每鏈節大約 +/- 10° 扭轉角度

更多資訊

2020 年新產品

2020新品 拖鏈總覽

在此發現適用於不同應用的更多拖鏈 2020新品。
2020 新產品目錄

2020 新產品目錄

免費目錄中包含您需要的有關我們的新產品以及產品範圍的補充的所有資訊。
e-chain® 能量傳輸保護拖鏈

e-chain® 能量傳輸保護拖鏈

各種不同的安裝空間和環境  多種產品種類可供選擇 - 一次就找到適用的解決方案 含36個月品質保固

諮詢

我很樂意解答您的疑問

Photo
賴家政 Gorden Lai

igus® Taiwan Company Ltd.

寫電子郵件

出貨及諮詢

親自拜訪:

週一至週五 8:30 - 17:30

Online:

週一至週五 8:30 - 17:30


The terms "Apiro", "AutoChain", "CFRIP", "chainflex", "chainge", "chains for cranes", "ConProtect", "cradle-chain", "CTD", "drygear", "drylin", "dryspin", "dry-tech", "dryway", "easy chain", "e-chain", "e-chain systems", "e-ketten", "e-kettensysteme", "e-loop", "energy chain", "energy chain systems", "enjoyneering", "e-skin", "e-spool", "fixflex", "flizz", "i.Cee", "ibow", "igear", "iglidur", "igubal", "igumid", "igus", "igus improves what moves", "igus:bike", "igusGO", "igutex", "iguverse", "iguversum", "kineKIT", "kopla", "manus", "motion plastics", "motion polymers", "motionary", "plastics for longer life", "print2mold", "Rawbot", "RBTX", "readycable", "readychain", "ReBeL", "ReCyycle", "reguse", "robolink", "Rohbot", "savfe", "speedigus", "superwise", "take the dryway", "tribofilament", "triflex", "twisterchain", "when it moves, igus improves", "xirodur", "xiros" and "yes" are legally protected trademarks of the igus® SE & Co. KG/ Cologne in the Federal Republic of Germany and where applicable in some foreign countries. This is a non-exhaustive list of trademarks (e.g. pending trademark applications or registered trademarks) of igus SE & Co. KG or affiliated companies of igus in Germany, the European Union, the USA and/or other countries or jurisdictions.

igus® SE & Co. KG points out that it does not sell any products of the companies Allen Bradley, B&R, Baumüller, Beckhoff, Lahr, Control Techniques, Danaher Motion, ELAU, FAGOR, FANUC, Festo, Heidenhain, Jetter, Lenze, LinMot, LTi DRiVES, Mitsubishi, NUM,Parker, Bosch Rexroth, SEW, Siemens, Stöber and all other drive manufacturers mention on this website. The products offered by igus® are those of igus® SE & Co. KG